
- 堡盟Baumer
- 迈斯Maxsensor
- 多德Dold
- 劳易测Leuze
- 丹纳赫Gems
- 智能3D传感器
- 罗杰康Ruggedcom
- 大金Daikin
Baumer接近开关
2013-02-22 11:20:48来源:浏览:4675
![]() |
||||||||||
| 接近开关 | ||||||||||
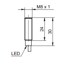
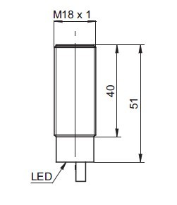
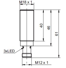
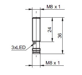
| 型号 (PNP/常开) | IGYX 08P17E3/S35L | IGYX 08P17E3/L | IGYX 12P17E3/S14L | IGYX 12P17E3/L | IGYX 18P17E3/S14L | IGYX 18P17E3/L | ||||
| 型号 (PNP/常闭) | IGYX 08P37E3/S35L | IGYX 08P37E3/L | IGYX 12P37E3/S14L | IGYX 12P37E3/L | IGYX 18P37E3/S14L | IGYX 18P37E3/L | ||||
| 型号 (NPN/常开) | IGYX 08N17E3/S35L | IGYX 08N17E3/L | IGYX 12N17E3/S14L | IGYX 12N17E3/L | IGYX 18N17E3/S14L | IGYX 18N17E3/L | ||||
| 型号 (NPN/常闭) | IGYX 08N37E3/S35L | IGYX 08N37E3/L | IGYX 12N37E3/S14L | IGYX 12N37E3/L | IGYX 18N37E3/S14L | IGYX 18N37E3/L | ||||
|
![]() |
![]() ![]() |
![]() | |||||||
| 圆柱型电感式传感器 | ||||||||||
| Technische Daten | ||||||||||
| 安装类型 | 屏蔽式 | 屏蔽式 | 半屏蔽 | |||||||
| 额定感应距离 Sn | 2mm | 4mm | 8mm | |||||||
| 磁滞 (in % von Sr) | 3…20 | 3…20 | 3…20 | |||||||
| 工作电压 Vs | 10 - 30 VDC | 10 - 30 VDC | 10 - 30 VDC | |||||||
| 电流消耗(最大) | < 15mA | < 15mA | < 15mA | |||||||
| 最大输出电流 | 200 mA | 200 mA | 200 mA | |||||||
| 压降 | < 2.5 V | < 2.5 V | < 2.5 V | |||||||
| 开关频率 | <3 kHz | <2kHz | <500Hz | |||||||
| 短路保护 | 是 | 是 | 是 | |||||||
| 反向极性保护 | 是 | 是 | 是 | |||||||
| 输出指示 | 是 | 是 | 是 | |||||||
| 感应头颜色 | 红色 | 红色 | 红色 | |||||||
| 操作温度 | -25…+75°C | -25…+75°C | -25…+75°C | |||||||
| 防护等级 | IP67 | IP67 | IP67 | |||||||
|
M12系列全系现货 M18系列全系现货 M8系列部分现货 具体请来电或邮件咨询! |
||||||||||







